Задать вопрос
- Описание
- Характеристики
- Отзывы
- Задать вопрос
- Доставка и оплата
-
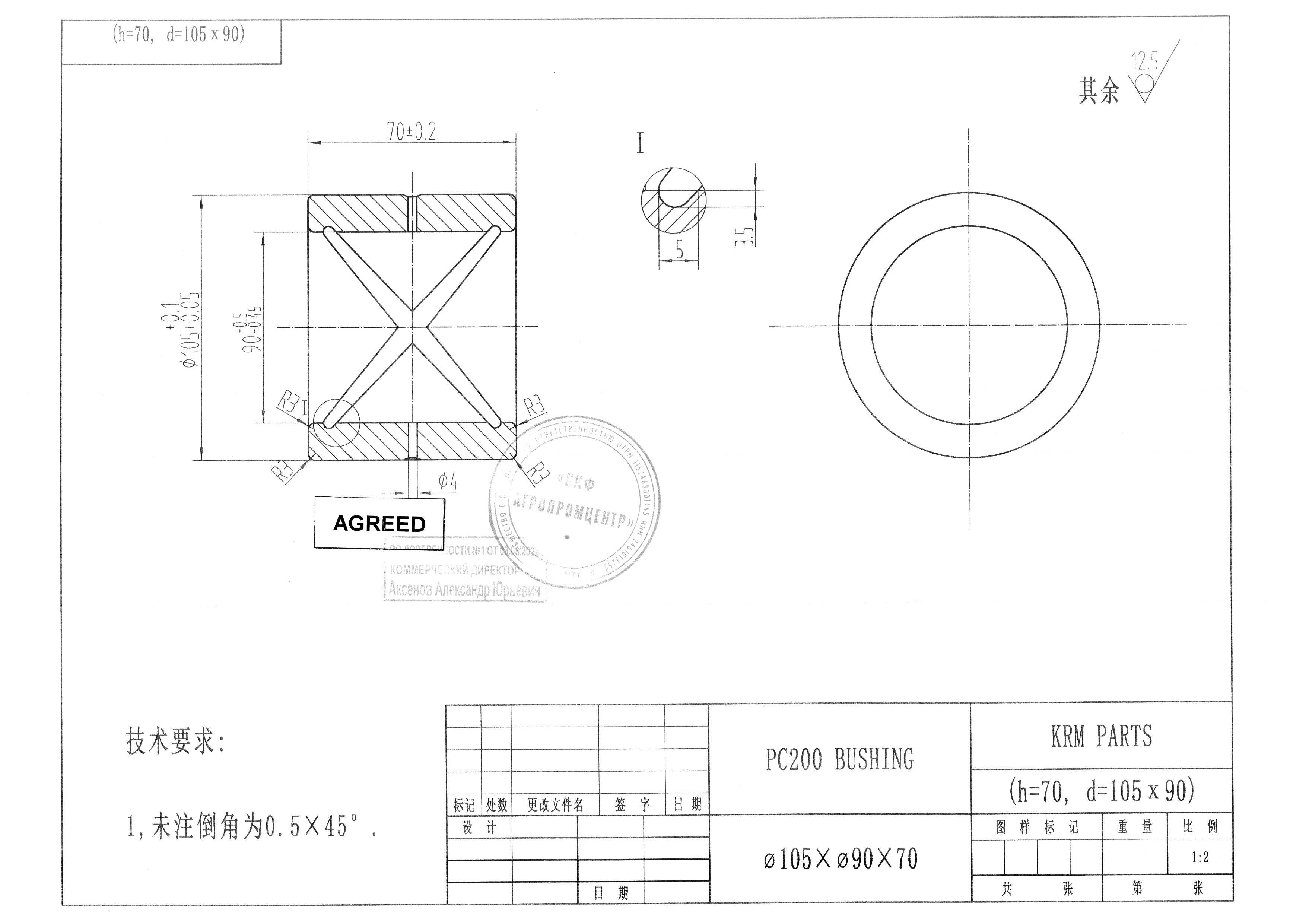
ОписаниеВтулка Komatsu 205-70-72180 (D=105×90, h=70 мм) применяется в сочленении рукоять–стрела экскаваторов Komatsu. Обеспечивает надёжную осевую фиксацию пальца, снижает износ посадочных мест и выдерживает высокие нагрузки при работе в тяжёлых условиях.
-
Характеристики
Применяемость Komatsu, PC200 ОтзывыЗадать вопросВы можете задать любой интересующий вас вопрос по товару или работе магазина.
Наши квалифицированные специалисты обязательно вам помогут.ДополнительноОформление заказа счет выставляется на основании заказа оформленного на сайте.
Оформление заказа стоимостью менее 10000 рублей, либо в случае, когда один из габаритных размеров товара в заказе превышает 3 метра, производится в индивидуальном порядке, по согласованию с менеджером.
Оплата заказа:
Оплата выставленного счета производится:перечислением денежных средств на расчетный счет ООО «ПКФ Агропромцентр» или наличным расчетом на складе, при самовывозе заказа.
Отгрузка оплаченного товара:
Отгрузка товара производится после 100% предоплаты согласованного счета.Отгрузка оплаченного товара производится через транспортные компании Деловые Линии, Байкал-Сервис, ПЭК, GTD (Кашалот), Ночной Экспресс.
Стоимость и ориентировочный срок доставки груза до терминала ТК в вашем городе вы можете предварительно рассчитать на сайтах транспортных компаний, либо по запросу нашим менеджерам, в индивидуальном порядке.Срочная отгрузка через транспортную компанию возможна в любой рабочий день недели, по согласованию с менеджером.
Доставка груза по г. Красноярск до терминала ТК производится за счет Покупателя.
Возможна отгрузка самовывозом с нашего склада в г. Красноярск по адресу: г. Красноярск, Северное шоссе, 7А, строение 8.
График работы склада:
понедельник-пятницас 9-00 до 18-00
без обедаТак же, по согласованию, возможна отгрузка: попутным автомобильным транспортом, ж.д. контейнером, авиадоставкой, багажом, речным и морским путем.































